メインコンテンツまでスキップ

简介

  • 分体式设计,支持多种核心板DSI与HDMI
  • 多种尺寸,4.3英寸,4英寸,7英寸
  • 高清分辨率,不错过每一个细节
  • 支持10级亮度调节
  • 支持180°屏幕翻转
注意事项

七寸屏幕适用HDMI核心板无法选择,DSI核心板正常控制

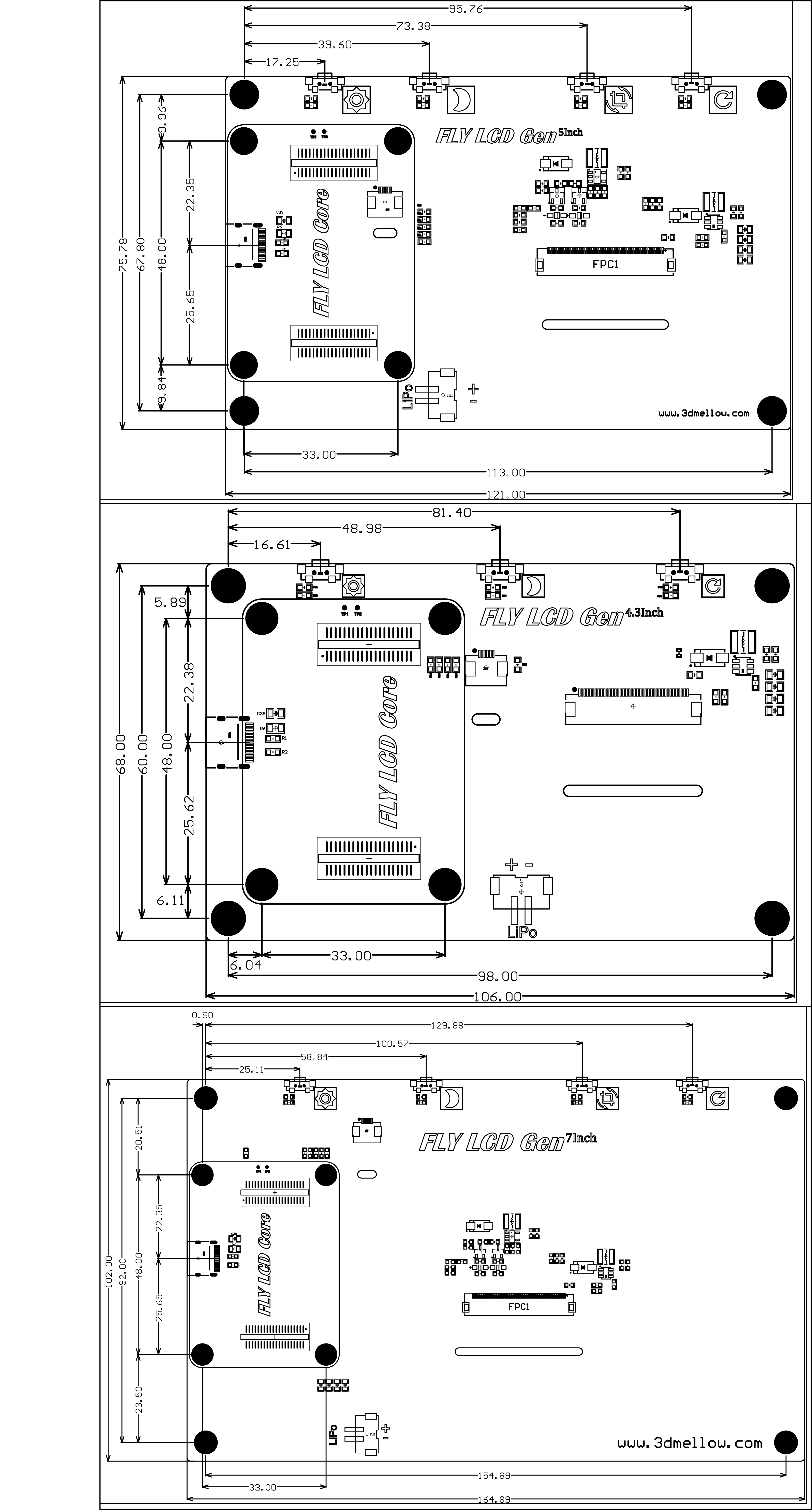
产品尺寸