Zum Hauptinhalt springen

WS 7040

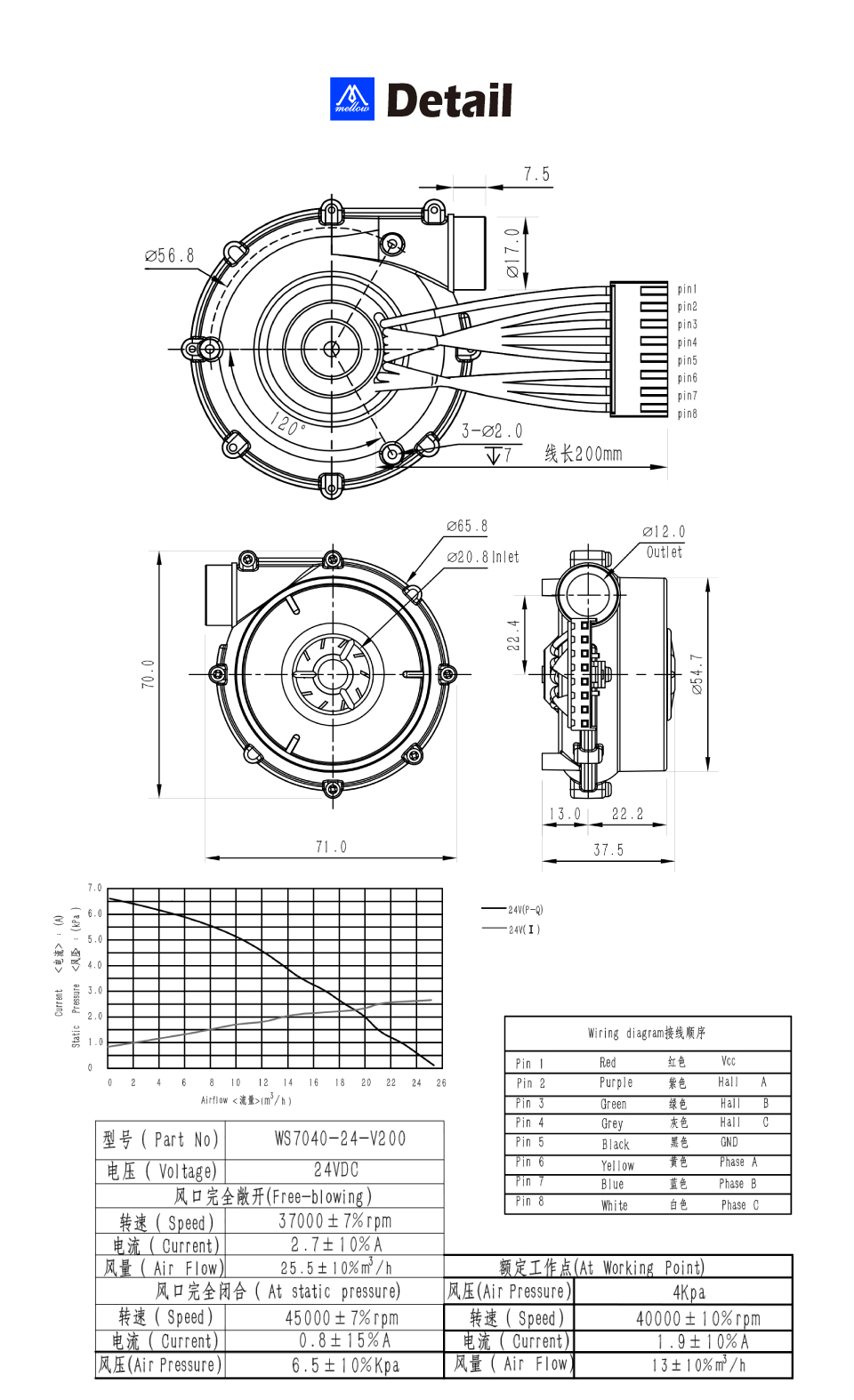
产品特点

  • 最大转速:45000
  • 最大流量:14.7CFM
  • 可选配件:进气过滤器,降低运行噪音,防止异物进入风机损坏扇叶,使套件运行更加安静平稳

产品规格

注意事项

注意事项
  • 请注意,风扇口需要避免进异物导致损伤扇叶
  • 请注意,风扇最大输入电源是24V